大四应该没多少事情了,想继续做一下FOC相关的;
开发过程(持续更新):
2022年9月29日:
中间好久没有更新,是这几天比较忙,没有时间写;
算下来,FOC的板子做了三个大的版本,五个比较小的版本,可以说是一次次的迭代更新;
| 主控 | 供电方案 | 驱动模块 | 是否有电流采样 | 通信方式 | |
|---|---|---|---|---|---|
| FOC-V1 | STM32F103C6T6 | AMS1117-3.3V | DRV8313 | 否 | UART |
| FOC-V2 | STM32F103C6T6 | AMS1117-3.3V | DRV8313 | 否 | UART |
| FOC-V3 | STM32F103C6T6 | AMS1117-3.3V | MP6540 | 是 | UART |
| FOC-V4 | AT32F403ACGU7 | AMS1117-5V & AMS117-3.3V | DRV8313 | 否 | UART |
| FOC-V5 | STM32F405RGT6 | L7805 & AMS1117-3.3V | BTN7960B | 是 | UART/CAN |
代码自己也加入了很多功能,电流环还没有做出来,后边再继续努力做,加油!
板子PCB:
| 版本 | 图片 |
|---|---|
| FOC-V1 | ![]() |
| FOC-V2 | ![]() |
| FOC-V3 | ![]() |
| FOC-V4 | ![]() |
| FOC-V5 | ![]() |
2022年9月12日:
中间好久不更新,这些天对FOC项目做了更多的测试,还有做了一些应用,例如倒立摆,平衡车等等;
想要加上电流环,刚开始自然的想法是,用合金采样电阻加电流放大器加stm32的AD,这个外围电路比较麻烦,成本也很高;
昨天查找资料发现了一个芯片:MP6540,三相电机驱动芯片,且内部集成了电流检测,只需要用32的AD去读就可以了,今上午画了一个测试板,已经发去打样了,希望能正常工作;
等板子回来了,我测试一下,在说要不要改用这个芯片;
2022年9月3日:
修改的板子今天已经到了,焊接好了,也测试了,很完美,发热没那么严重了;
这次使用的LDO是AMS1117(SOT-89封装),它的输入最高电压是18V,完全够用了,发热虽然还是很大,但封装也更大了,所以还是可以接受的;
| AMS1117数据手册说明的的输入电压限制 |
|---|
![]() |
在测试过程中,长时间运转未出现任何问题,闭环控制,开环控制都可以很好运转;
后续就是开始做平衡车,调参数;
![]() |
|---|
2022年8月22日:
今天又查看了一下RT9013-33GB的数据手册,发现电压最大为5.5V,看来是要换供电部分的电路了;
| 输入电压限制 | 输出电流限制 |
|---|---|
![]() |
![]() |
下午用飞线将降压芯片换成了AMS1117-3.3V,效果还好,不过还是会出现温度很高的情况;
| 更换降压芯片后的板子 |
|---|
![]() |
测试了闭环角度控制以及闭环速度控制,效果都还挺好的;
后续调参数,修改板子;
2022年8月21日:
板子已经收到,并且已经焊好各种元件以及安装在配套的无刷云台电机上;
图片如下所示:
| 板子实物图 | 凌乱的桌面 |
|---|---|
![]() |
![]() |
板子出现了一个比较大的问题,给单片机芯片以及磁传感器芯片供电的3.3V电压是通过一个线性稳压芯片做的,型号是RT9013-33GB,线性稳压芯片有一个很大的问题就是,当压降比较大时,效率会很低,其计算公式为:
该式子前者接近于1,故效率主要取决于后者,输入输出压差越大,效率就越低,耗散的功率绝大部分都转化为热量,所以芯片温度会很高,很容易烧毁芯片造成短路,甚至会对主控芯片和驱动芯片造成损伤;
而驱动芯片使用的是DRV8313,最低的驱动电压是8V,经过线性稳压芯片输出3.3V,压降比较大,发热很大,下午调试的时候,用的可调电源,从5V往上升,升到10V的时候还是正常,除了发热比较大;再高一点,突然就芯片烧了,不仅是稳压芯片,连带着主控芯片也烧了,万用表一测,正负极直接滴滴响,换了芯片后,调到高一点的电压,还是会烧芯片;
另一个问题是,当输入电压为8V时,虽然不会直接毁芯片,但是运行一会,温度比较高,影响输出电压,导致磁编码器芯片不能正常工作,这个问题也很头疼,想到的解决办法是使用DC-DC降压电路先降到5V,再用线性稳压芯片降到3.3V,这就等下一版板子进行修改测试;
除了这些问题之外,其他倒没有什么问题,测试了开环驱动,闭环有一点问题,后续修改一下代码应该就可,角度值也可以正常读取;
后续:修改板子,先用现有这一版测试闭环驱动,然后调参,然后上平衡车;
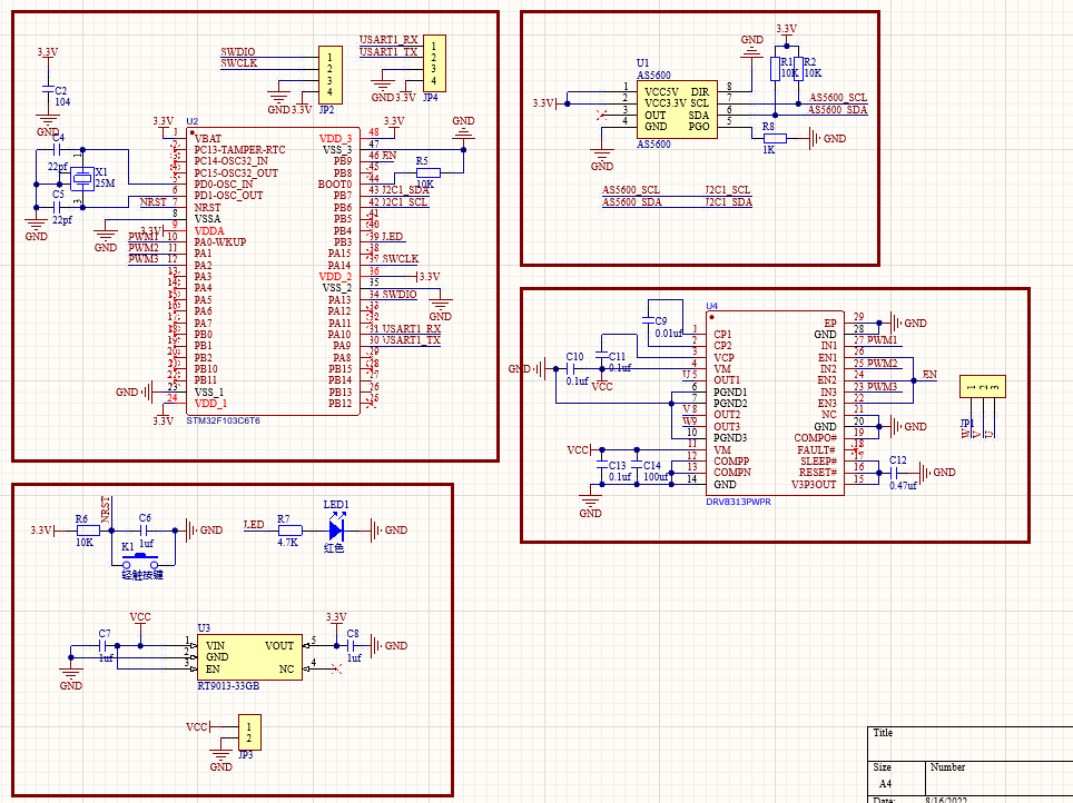
2022年8月16日:
已经发去打板,原理图和PCB图如下所示:
![]() |
|---|
![]() |
![]() |
|---|---|
等打样的板子收到后看一下功能是不是都正常;
基本思路:
先把一个电机和单片机,驱动电路集成的出来,测试驱动能力,还有控制算法;
电流环先不加;
然后是做一个平衡车;
基本描述:
| 主控芯片:STM32F103C6T6A | |
|---|---|
| 驱动芯片:DRV8313 | |
| 通讯方式:串口控制 | |
| 参考方案:https://oshwhub.com/iMcHineSe/mini_simplefoc | |
| 参考程序下载地址:https://oshwhub.com/attachments/2022/6/Yc5g3HpSO4iSV1dMhxs98B2FosqwhmaWe8Zns9UF.bin?operation=download | |
原理图:![]() |
一些关键点,要集成接口,编码所在的板子上留出电机UVW三相的焊接接口;















