AG1280是一款国产的CPLD芯片,我准备将这个芯片和MCU配合起来,来做一些定制化的接口和功能,例如扩展UART接口,外接一些高速的AD/DA芯片;
芯片资源:
AG1280资源:
| LUTs | 1280 |
|---|---|
| Distributed RAM (Kbits) | 10 |
| EBR SRAM (Kbits) | 68 |
| Maximum User I/O pins | 40 |
| Number of PLLs | 1 |
| Package | 48-Pin QFN |
价格很便宜,每颗单价大概是7元;
我画了一个评估板,除了这颗CPLD芯片外,还加了一颗STM32F103C6T6芯片,他们之间有六个IO口互相连接来进行通信或者时钟输入;
STM32F103C6T6资源:
| 封装 / 箱体 | LQFP-48 |
|---|---|
| 核心 | ARM Cortex M3 |
| 程序存储器大小 | 32 kB |
| 数据总线宽度 | 32 bit |
| ADC分辨率 | 12 bit |
| 最大时钟频率 | 72 MHz |
| 输入/输出端数量 | 48 I/O |
| 数据 RAM 大小 | 10 kB |
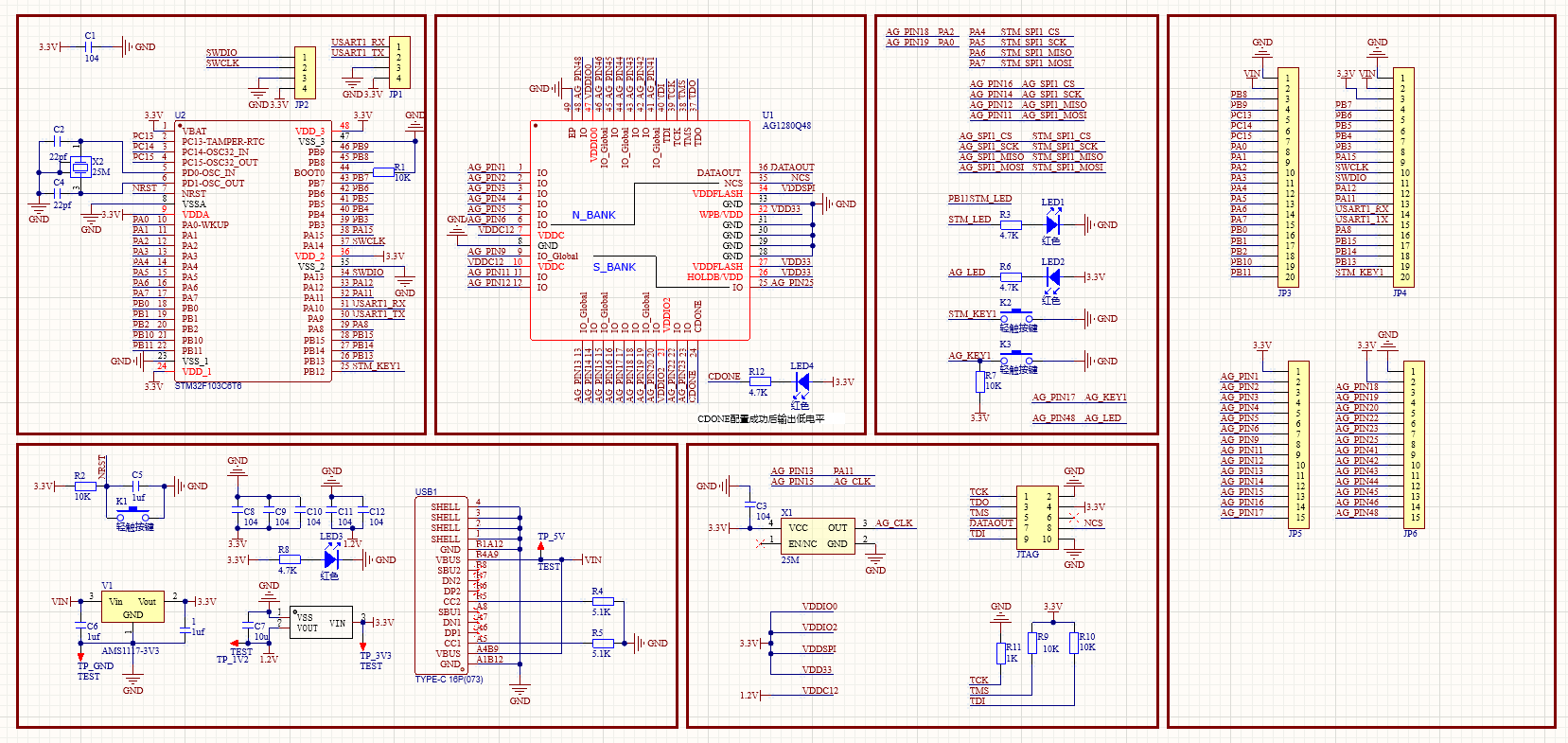
评估板设计:
板子原理图如下:

PCB视图如下:
硬件设计注意:
AG1280硬件设计中有几个需要特别注意的点:
1、IO_GLOBE_S1(位于第9脚)、IO_GLOBE_S2(位于第13脚)、IO_GLOBE_S3(位于第15脚)、IO_GLOBE_S4(位于第19脚)、IO_GLOBE_N1(位于第41脚) 、IO_GLOBE_N2(位于第44脚) 、IO_GLOBE_N3(位于第46脚)可以作为全局时钟输入管脚,可用于输入全局时钟。但若要使用PLL,则只能从13、15和19管脚输入。
2、电路板载一个24MHz有源晶振,另外还可以通过PMOD接口从STM32的MCO时钟输出管脚获得时钟,它们被连接到具有PLL输入功能的管脚13、15上。
3、AG1280的GPIO分为North和South两组,可以使用不同IO电平,以实现不同电平逻辑的转换。另外AG1280还需要3.3V电源作为片上Flash电源,且该电源域North组的IO电源共用,因此North组也只能使用3.3V的IO电源电压。South组却可以任选电源电压。
4、AG1280还需要1.2V内核电源电压,且该电源应略迟于Flash电源上电,以方便Flash加载程序。我的图2电路通过PMOD接口从STM32开发板获得3.3V电源,再用LDO芯片XC6206P122MR从3.3V向下稳压到1.2V内核电源,LDO后带有100uF电容,1.2V上电时间自然要落后于3.3V上电。
板子已经发出去打样了,估计今天就能到,我到时候焊接测试下;
软件:
环境配置:
AG1280的开发EDA软件Supera还不具备分析和综合电路的能力,但能实现其特有的PLL和片上RAM的IP核打包、综合后的布局布线、下载文件打包及下载等功能。
到百度网盘http://pan.baidu.com/s/1eQxc6XG 提取密码:q59e下载AGM公司EDA开发软件Supra(网盘上有多个版本的Supra,选择需要的一种即可)。Supra无需安装,下载后将其放置在不含中文的路径下,直接运行Bin目录下的Supra.exe即可。
目前版本的Supra还无法进行硬件描述语言及原理框图的开发和电路综合,用户只能在Supra下创建工程并完成AGM公司特有IP(包括PLL和RAM)的配置,再通过Supra创建Quartus-II工程文件,在转到Quartus-II下完成硬件描述语言和原理框图开发和电路综合,最后再回到Supra中完成器件内部的布局布线、下载文件的打包和器件烧写(具体流程在后续会详细介绍)。
综上,进行AG1280的开发一定需要安装一个顺手的Quartus-II。这里特别提醒网友注意,Supra只支持Quartus-II 13.0以上,且不支持Web与Lite版本,必须安装Full或Standard版本(本人掉到过坑里,因此特别提醒大家注意)。至于Quartus-II的安装方法,网上资料较多,这里不再赘述。
AG1280可以使用Intel的USB-Blaster进行下载和软件调试,但淘宝网上USB-Blaster版本较多,价格差异较大。据网传,有的版本USB-Blaster不支持AG1280的Flash下载,大家可自行注意避坑。
开发流程:
具体操作参考:https://www.cnblogs.com/helesheng/p/16692320.html
在 Supra 中新建工程
运行 Supra,选择 File - Project - New Project:
![]() |
|---|
![]() |
新建一个叫做 blinky1280 的工程,按图填写好工程目录和工程名称,点击 Save。
在 Supra 中使用 PLL
由于我们需要使用内部的 PLL,所以需要先创建 IP。
在 Supra 中创建 IP 的步骤如下,选择 Tools - Create IP - Create PLL :
![]() |
|---|
分别配置模块名称、输入频率、PLL类型、反馈模式、输出时钟路数、输出频率后,单击Generate按钮产生IP和顶层封装HDL文件(模块名称.v和模块名称.ip)。
其中值得注意的是:AG1280有两种时钟源模式:片内RC振荡器模式和片外有源振荡器模式。可以在反馈模式(Feedback mode)选项中选择EXT_FEEDBACK,以选择外部有源振荡器模式;选择NO_REFERENCE,以选择片上RC振荡器模式。片上RC振荡器振荡频率不会太准确,供不需要精确定时的系统使用。若选择片上振荡器则应在输入频率(Input frequency)处输入8MHz,否则真实输出频率将与你输入的频率成比例变化。
另外,Supra中AG1280的PLL配置中的PLL类型(PLL type),只能选择PLLX。而输出路数(PLL output count),相位移动(Phase shift)等配置参照字面意思理解即可。
下面会打印出实际的频率:
![]() |
|---|
然后在工程目录下会生成 inpll.ip 和 inpll.v 两个文件,前者需要在编译时在 Supra 中引入,后者则是点灯代码中需要例化的 PLL 模块原型。
建立 Quartus II 工程并完成逻辑综合
点击 Tools - Migrate,按照图中填写工程细节:
![]() |
|---|
点击 Next 后,运行 Quartus II,打开工程(目录下的 blinky1280.qpf),该工程中自动包含了一个 blinky1280.v。
打开该文件,并编写点灯代码:
![]() |
|---|
1 | module blinky1280 ( |
保存该文件。
然后,确定一下将 PLL IP 设置为 Design Partition:
![]() |
|---|
选择 Quartus II 中的 Tools - Tcl Scripts,选择目录下的 af_quartus.tcl 并运行:
![]() |
|---|
![]() |
Place & Route
以后修改原设计, Quartus 里只需执行正常的编译( Start Compilation),不用再运行af_quartus.tcl 文件。然后在 Supra 中运行 Compile,完成编译即可;
当 Quartus II 完成逻辑综合后,回到 Supra,点击 Next:
![]() |
|---|
在这里先不要点 Finish,先打开工程目录下的 blinky1280.asf 分配引脚:
1 | set_location_assignment PIN_15 -to clk |
保存,其他参数默认就行,点击 Finish,Supra 就会开始 Place & Route。
一切顺利会输出这样:
![]() |
|---|
如果不顺利,那就自己多试试,解决不了建议换回 Altera。
烧写
准备一个 USB Blaster,我试过淘宝十几块的和正点原子的,都可以用,区别是便宜的慢。
先将 USB Blaster 按照引脚定义对应连接到板子上,然后板子上电,将 USB Blaster 接入电脑。
在 Supra 中打开 Tool - Program,点击 Query Device ID;
AG1280Q48 的 Device ID 是 0x00120010,如果正确连接会读到这个数值。
选择刚刚生成的烧录文件,其中:
- blinky1280_sram.prg 是烧写到内部 SRAM 的,掉电后丢失
- 需要掉电保存的话选择 blinky1280_hybird.prg
这里以 SRAM 为例。烧写成功如下图,这时板子上的灯应该就会闪了。
![]() |
|---|
![]() |
用示波器测量PIN_1引脚,能看到方波输出:
自己的想法:
如果是小规模FPGA(几个K的LUT),一般是用来做胶合逻辑(glue logic,将不同数字电路拼接起来,涉及到协议转换或简单计算)或是简单的数字信号处理(例如语音唤醒等传感器相关处理)会多一些;
我感觉还是这种MCU+FPGA/CPLD的方案是很有用的,比如有时候MCU的UART接口不够用,就需要外扩,一般是购买专用的芯片,但是如果有了FPGA,就可以自己写一个逻辑用来外扩UART接口,而且通用性高,成本也很低;
等板子测试过了再看具体要做什么应用吧;












